Loading...

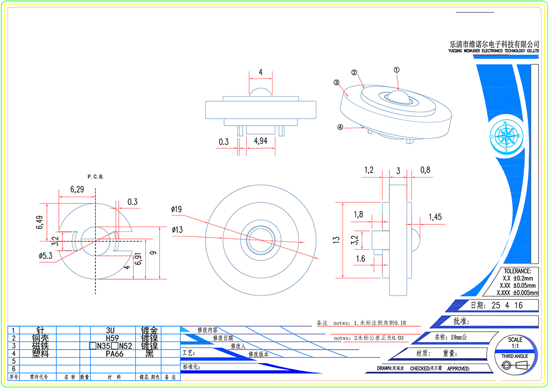
CX-19公头

  •